Поиск по каталогу

Вентилятор осевой ВОК-1,8-4E с фланцем (300 м3/ч)

3705 руб.
В корзину

Купить в 1 клик

ТЕХНИЧЕСКИЕ ХАРАКТЕРИСТИКИ


  • Параметры питающей сети: 220/50 В/Гц
  • Производительность: 300 м3/час
  • Частота вращения: 1500 об/мин.
  • Полное давление: 57 Па
  • Мощность двигателя: 0,005 кВт
  • Рабочий ток: 0,2 А
  • Уровень шума: 52 дБ(А)
  • Класс защиты: IP42
  • Масса: 1,2 кг


ГАБАРИТНЫЕ РАЗМЕРЫ

АЭРОДИНАМИЧЕСКИЕ ХАРАКТЕРИСТИКИ


ОПИСАНИЕ

Круглый осевой вентилятор серии ВОК предназначается для использования в приточной и вытяжной вентиляции помещений.

Конструкция вентилятора следующая: корпус состоит из обечайки и 2 присоединительных фланцев. Корпус вентилятора стальной оцинкованный, покрыт порошковой краской. Крыльчатка изготавливатся из стали (покрывается порошковой краской) или алюминия. В вентилятор устанавливается электродвигатель со встроенным температурным реле. Реле предохраняет двигатель от перегрузок, степень защиты IP42.

В качестве дополнительного комплекта к осевому вентилятору ВОК-220В можно приобрести регулятор скорости вращения электродвигателя RSV-1. Благодаря регулятору скорости можно плавно регулировать производительность вентилятора от 5 до 100%.


ГАБАРИТНЫЕ РАЗМЕРЫ



АЭРОДИНАМИЧЕСКИЕ ХАРАКТЕРИСТИКИ


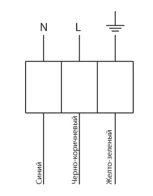
СХЕМА ПОДКЛЮЧЕНИЯ

Напряжение 220 В
Макс. производительность 300 м3/час
Мощность 5 Вт
Рабочий ток 0.2 А
Масса 1.2 кг

Нет комментариев

Добавить комментарий