Радиальный вентилятор низкого давления ВР 80-75-2,5 0,75 кВт Д=1,1 Дн
ТЕХНИЧЕСКИЕ ХАРАКТЕРИСТИКИ
- Производительность: 1,1-2,25 тыс.м3/час
- Полное давление: 1020-480 Па
- Мощность двигателя: 0,75 кВт
- Частота вращ. э/дв: 2900 Об./мин.
- Напряжение: 380В
- Масса: 27 кг
- Относительный диаметр колеса: 1,1 мм
- Диаметр входного отверстия: 250 мм
- Размер выходного патрубка: 175x175
АЭРОДИНАМИЧЕСКИЕ ХАРАКТЕРИСТИКИ

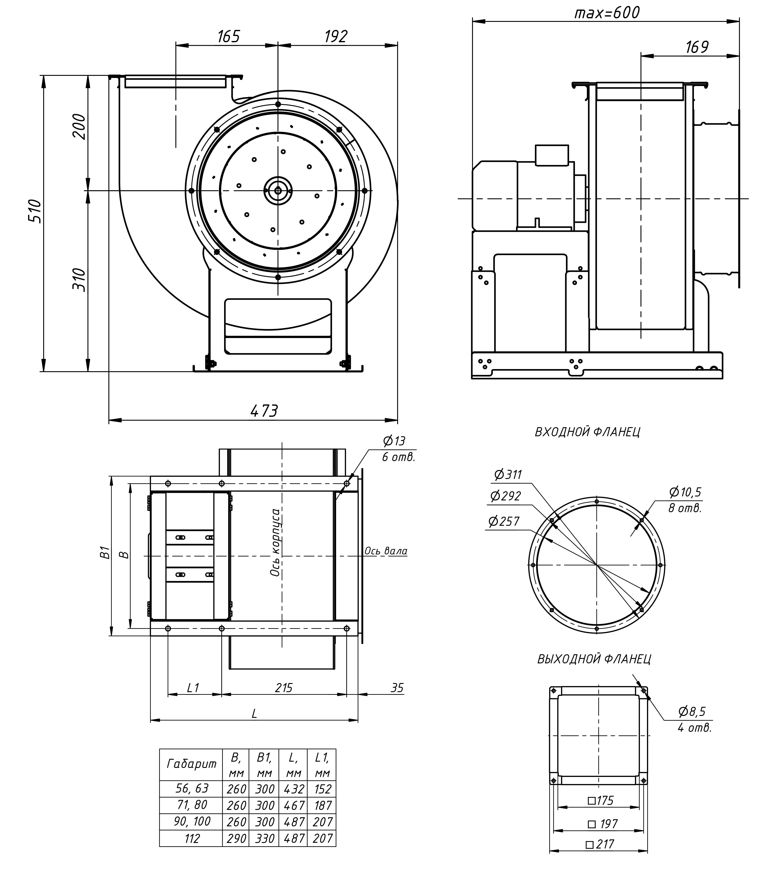
ГАБАРИТНО-ПРИСОЕДИНИТЕЛЬНЫЕ РАЗМЕРЫ
ПОЛОЖЕНИЕ КОРПУСА ВЕНТИЛЯТОРА
*Стандартное исполнение: П0 и Л0
ВР 80-75 – вентиляторы радиальные низкого давления одностороннего всасывания производятся по ТУ 4861-001-85589750.
Вентилятор серии ВР 80-75 выполняется в моноблочной конструкции. На сварной раме установлен металлический корпус «улитка» с двумя патрубками, на фланцах которых предусмотрены отверстия для монтажа оборудования к воздуховодам вентиляционной сети. Корпус имеет возможность углового поворота вокруг рамы, что позволяет выставить выходной патрубок под нужным углом к горизонту. Внутри корпуса находится рабочее лопастное колесо с двенадцатью отогнутыми в противоположную вращению сторону лопатками. По направлению его вращения различают правые и левые радиальные вентиляторы. Для крепления рамы к основанию в ее нижней опорной части имеются отверстия под анкерное крепление (при монтаже рекомендуется использовать дополнительные виброизоляционные прокладки).
Вентиляторы радиальные ВР 80-75 подлежат эксплуатации в составе канальных и бесканальных систем вентиляции. Могут подключаться к системе воздуховодов, либо устанавливаться на крыше или стенах здания. Рабочая среда – воздух с концентрацией мелкодисперсной пыли и взвешенных частиц до 100 мг/м.куб. Допустимая температура воздуха - до +80С. В рабочей среде не должны присутствовать липкие, взрывоопасные и волокнистые включения.
Характеризуются максимальной эффективностью при работе в климатических регионах У и Т при t0 окружающей среды -40…+40С по 2 и 3 кат. размещения. При условии защиты двигателя от воздействия внешних факторов окружающей среды допускается использовать вентиляторы в условиях У по 1 кат. размещения. Вентиляторы радиальные низкого давления ВР 80-75 могут эксплуатироваться в регионах с повышенной сейсмоактивностью.
ОСНОВНЫЕ ВАРИАНТЫ ИЗГОТОВЛЕНИЯ
|
Индекс |
Назначение и материалы |
|
- |
Общепромышленное исполнение, материал - углеродистая сталь |
|
Ж2 |
Общепромышленное теплостойкое исполнение (допустимая температура перемещаемой среды – до плюс 200°С), материал – углеродистая сталь |
|
К1 |
Коррозионностойкое исполнение, материал – нержавеющая сталь |
|
К1Ж2 |
Коррозионностойкое теплостойкое исполнение, материал – нержавеющая сталь |
|
В |
Взрывозащищенное исполнение из разнородных металлов, материал – углеродистая сталь, латунь |
|
ВЖ2 |
Взрывозащищенное теплостойкое исполнение из разнородных металлов, материал – углеродистая сталь, латунь |
|
ВК1 |
Взрывозащищенное коррозионностойкое исполнение из разнородных металлов, материал – нержавеющая сталь, латунь |
|
ВК3 |
Взрывозащищенное исполнение, материал – алюминиевые сплавы |
Аналоги ВР 80-75
В качестве наиболее близких к ВР 80-75 аналогов по аэродинамическим свойствам можно выделить:
- ВЦ 4-70, ВЦ 4-75, а также ВР 80-70 и ВР 86-77.
| Номер улитки | 2.5 |
| Мощность двигателя (выбрать из списка) | 0.75 кВт |
| Мощность двигателя (поле) | 0.75 кВт |
| Макс. производительность | 2250 м3/час |
| Масса | 27 кг |
| Диаметр входного отверстия | 250 мм |
| Размер выходного патрубка | 175х175 мм |
| Поддерживается на складе | есть |
:format(png)/5d36d27ca013770.ru.s.siteapi.org/img/fce332dbb00bb759c9c82f7fabdd0b59f1a02ed1.png)
:format(png)/5d36d27ca013770.ru.s.siteapi.org/img/1c2b07737c6d7eb7311fe0f0f2184de542cc21e8.png)
:format(png)/5d36d27ca013770.ru.s.siteapi.org/img/b2ebfaa7478723faadfdebadd39b4d5ba6e0f7bb.jpg)
:format(png)/5d36d27ca013770.ru.s.siteapi.org/img/22c86ca1059ab5c08c25946fd51ee199c3d5f615.jpg)
Нет комментариев
Добавить комментарий