Радиальный вентилятор среднего давления ВР 280-46-2,5 0,75 кВт
ТЕХНИЧЕСКИЕ ХАРАКТЕРИСТИКИ
- Мощность двигателя: 0,75 кВт
- Частота вращ. э/дв: 1450 Об./мин.
- Производительность: 0,89-2,40 тыс.м3/час
- Полное давление: 410-510 Па
- Масса: 27 кг
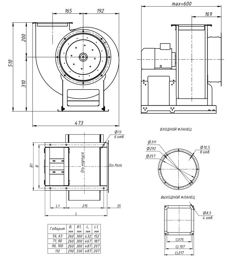
- Диаметр входного отверстия: 250 мм
- Размер выходного патрубка: 175x175
Аэродинамические характеристики
АЭРОДИНАМИЧЕСКИЕ ХАРАКТЕРИСТИКИ

ГАБАРИТНО-ПРИСОЕДИНИТЕЛЬНЫЕ РАЗМЕРЫ
ПОЛОЖЕНИЕ КОРПУСА ВЕНТИЛЯТОРА
*Стандартное исполнение: П0 и Л0
Вентиляторы радиальные марки ВР 280-46 выпускаются по ТУ 4861-001-85589750. Вентиляторы рассчитаны на среднее давление при одностороннем всасывании рабочей среды.
Конструкция вентиляторной установки – моноблочная. В качестве опоры используется рама, посредством которой вентилятор ВР 280-46 крепится к крыше или к стенам здания. На раме установлен металлический кожух по типу «улитка». Всасывание рабочей среды происходит через круглый патрубок вдоль оси вращения рабочего колеса, а его выброс – через квдратный патрубок под прямым углом. На фланцах обоих патрубков предусмотрены отверстия под крепление к воздуховодам. Корпус может вращаться относительно рамы, что позволяет выставить его под необходимым углом к горизонту (по умолчание угол 0 градусов). Рабочее колесо с 32 отогнутыми в сторону вращения лопастями размещается в корпусе и соединяется с приводом. По отношению направления вращения рабочего колеса к приводу различают вентиляторы ВР 280-46 левого и правого исполнения. Дополнительно, к вентилятору докупаются виброизоляторы (устанавливаются между рамой и основанием) и гибкие вставки для всасывающего и нагнетающего патрубков.
Вентиляторы радиальные среднего давления ВР 280-46 широко эксплуатируются в системах вентиляции и отопления помещений различной площади и назначения. Также ВР 280-46 могут быть использованы для перемещения рабочей среды в различных промышленных технологических установках. Радиальные вентиляторы ВР 280-46 рассчитаны на работу с малозапыленным воздухом и газовоздушными смесями. Предельно допустимая концентрация взвешенной пыли в рабочей среде составляет 100 мг/м3. Для вентиляторов стандартного исполнения наибольшая температура рабочего воздуха или газовоздушной смеси составляет +80С, для оборудования в теплостойком исполнении верхний температурный порог равен +120С. В рабочей среде не допускается наличие взрывоопасных веществ, а также липких или волокнистых материалов.
ВР 280-46 производятся для эффективной эксплуатации в условиях тропического и умеренного климата при t0 окружающего воздуха -40…+40 градусов Цельсия.
ОСНОВНЫЕ ВАРИАНТЫ ИЗГОТОВЛЕНИЯ
|
Индекс |
Назначение и материалы |
|
- |
Общепромышленное исполнение, материал - углеродистая сталь |
|
Ж2 |
Общепромышленное теплостойкое исполнение (допустимая температура перемещаемой среды – до + 200 °С), материал – углеродистая сталь |
|
К1 |
Коррозионностойкое исполнение, материал – нержавеющая сталь |
|
К1Ж2 |
Коррозионностойкое теплостойкое исполнение, материал – нержавеющая сталь |
|
В |
Взрывозащищенное исполнение из разнородных металлов, материал – углеродистая сталь, латунь |
|
ВЖ2 |
Взрывозащищенное исполнение из разнородных металлов, теплостойкое материал – углеродистая сталь, латунь |
|
ВК1 |
Взрывозащищенное коррозионностойкое исполнение из разнородных металлов, материал – нержавеющая сталь, латунь |
|
ВК3 |
Взрывозащищенное исполнение, материал – алюминиевые сплавы |
| Номер улитки | 2.5 |
| Мощность двигателя (выбрать из списка) | 0.75 кВт |
| Мощность двигателя (поле) | 0.75 кВт |
| Макс. производительность | 2400 м3/час |
| Масса | 27 кг |
| Диаметр входного отверстия | 250 мм |
| Размер выходного патрубка | 175х175 мм |
| Поддерживается на складе | есть |
:format(png)/5d36d27ca013770.ru.s.siteapi.org/img/c1afdcb78277f16c9272c2bbacbfd30f134b8a60.png)
:format(png)/5d36d27ca013770.ru.s.siteapi.org/img/041694724a3f353b9f7bb7091653790ae0194384.png)
:format(png)/5d36d27ca013770.ru.s.siteapi.org/img/b2ebfaa7478723faadfdebadd39b4d5ba6e0f7bb.jpg)
:format(png)/5d36d27ca013770.ru.s.siteapi.org/img/22c86ca1059ab5c08c25946fd51ee199c3d5f615.jpg)
Нет комментариев
Добавить комментарий